服务于全球各领域电子制造客户
公司新闻 行业动态 产品知识
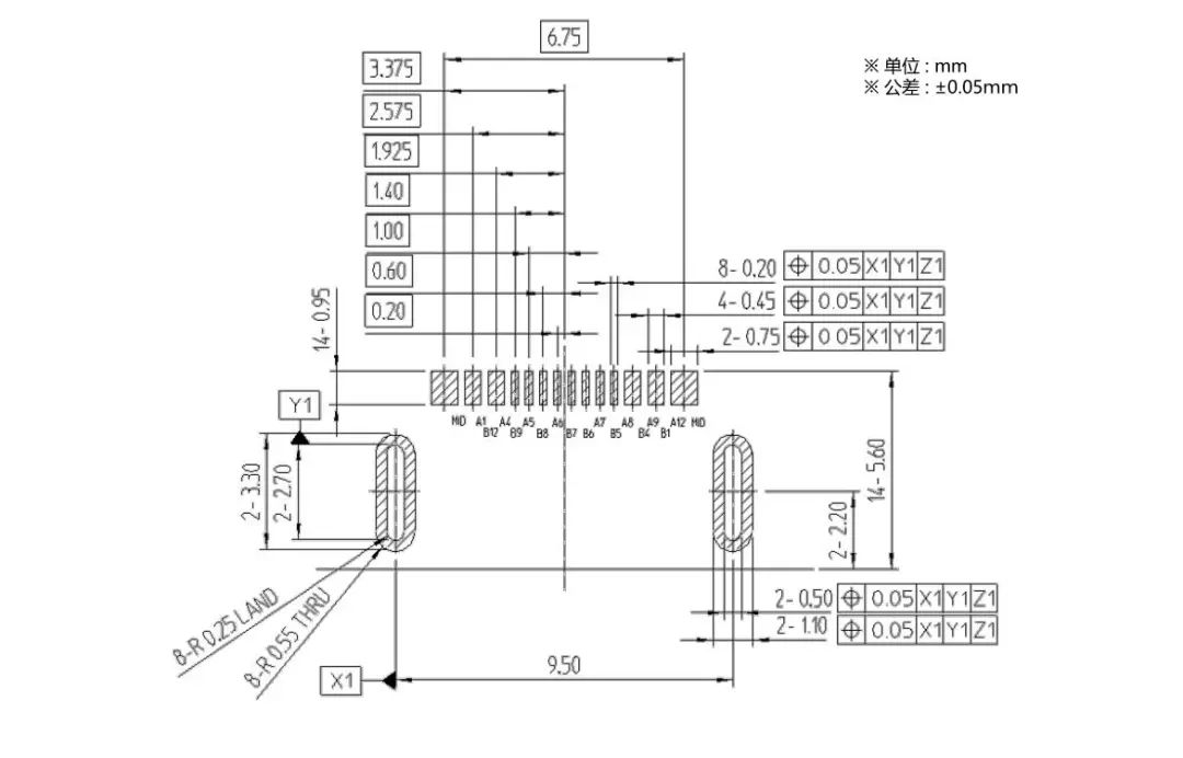
CX90BW-16P Series丨防水、USB Type-C 插座(板上式)
特点
1. 防水USB Type-C 插座
(支持IPX4 *1 防水规格)- 垫圈一体构造
2. 支持6A可以急速充电
3. 小型化有助于省空间设计
4. 480Mbps / USB2.0
5. 通过2点THR *2 固定,提高基板剥离强度
*1 IPX4防水 (单体) 测试条件 : 10分钟的水花
*2 THR (Through-Hole-Reflow) : PIP(Pin-in-Paste)实装;
即将穿孔器件通过表面贴装(SMT)过程进行焊接的手法,能有效提高整体焊接工艺的效率。
上一篇df40gb series丨板对fpc连接器
下一篇bm56g series丨板对fpc连接器
www@yihaoyule.com
Maggie
微信咨询
黎小姐